language Italiano
Serie 4 1/8" - 1/4"

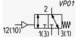
Valvola 3/2 NC - NO monostabile

Azionamento pneumatico riposizionamento a molla

    Aireka Fluidica Electric Oleodinamica Pneumatica Vuoto Economy

Caratteristiche tecniche

Costruzione A spola bilanciata
Montaggio Singolo o su convogliatore
Attacchi pilotaggi pneumatici 1/8”
Portata QN Vedi tabelle (rilevata a 6 bar Δp 1)
Materiali Corpo, spola e basi in AL; fondelli in Tecnopolimero; guarnizioni NBR PU
Temperatura di esercizio 0 ÷ 60 °C (con aria secca -20 °C)
Fluido Aria filtrata senza lubrificazione *
Bobina U70-G70 da ordinare separatamente
* Nel caso si utilizzasse aria lubrificata, si consiglia olio ISO VG32 e di non interrompere mai la lubrificazione.

Tabella codici

Codice fornitore Attacchi Funzione Pressione esercizio ([bar]) Pressione pilotaggio ([bar]) QN ([Nl/min]) Simbolo
label 438-35 1/8" 3/2 NC-NO 0 ÷ 10 2,5 700 VP01
label 434-35 1/4" 3/2 NC-NO 0 ÷ 10 2,5 1250 VP01

Vuoi saperne di più?

Contattaci senza impegno compilando il nostro form, i nostri esperti sono a tua disposizione.

Hi-Flex Italia
Enertronica Santerno
Nuova General Instruments
HTP
Duplomatic
Serto
Mec Fluid 2
Hitachi
Rollon
IMO
OnRobot
Saip
Nass Magnet
Nord Modules
Norma Group
Loxeal
Exmar
Merlett
Forza Smart Industry
Industrie Giacomelli
Logo Stima

Cerca in Stima

search
Informativa

Noi e terze parti selezionate (come ad esempio Google, Facebook, LinkedIn, ecc.) utilizziamo cookie o tecnologie simili per finalità tecniche e, con il tuo consenso, anche per altre finalità come ad esempio per mostrati annunci personalizzati e non personalizzati più utili per te, come specificato nella .
Chiudendo questo banner con la crocetta o cliccando su "Rifiuta", verranno utilizzati solamente cookie tecnici. Se vuoi selezionare i cookie da installare, clicca su "Personalizza". Se preferisci, puoi acconsentire all'utilizzo di tutti i cookie, anche diversi da quelli tecnici, cliccando su "Accetta tutti". In qualsiasi momento potrai modificare la scelta effettuata.