language Italiano
Serie 3 1/8” - 1/4”

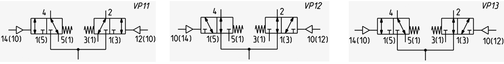
Valvola doppia 3/2 NC - NO monostabile

Azionamento pneumatico riposizionamento a molla

    Aireka Fluidica Electric Oleodinamica Pneumatica Vuoto Economy

Caratteristiche tecniche

Costruzione A spola bilanciata
A richiesta con alimentazione separata degli elettropiloti (-0,9 ÷ 10 bar)
Montaggio Singolo o su convogliatore modulare
Attacchi pilotaggi pneumatici Serie 3-1/8” = 1/8”
Serie 3-1/4” = M5
Portata QN Vedi tabelle (rilevata a 6 bar Δp 1)
Materiali Corpo AL; spola Inox; guarnizioni NBR
Temperatura di esercizio 0 ÷ 60 °C (con aria secca -20 °C)
Fluido Aria filtrata senza lubrificazione *
Bobina U70-G70 da ordinare separatamente (vedi pag. xx)
* Nel caso si utilizzasse aria lubrificata, si consiglia olio ISO VG32 e di non interrompere mai la lubrificazione.

Tabella codici

Codice fornitore Attacchi Funzione Pressione esercizio ([bar]) Pressione pilotaggio ([bar]) QN ([Nl/min]) Simbolo
label 338D-035 1/8" 2x3/2 NC -0,9 ÷ 10 2,5 700 VP11
label 334D-035 1/4" 2x3/2 NC -0,9 ÷ 10 2,5 1050 VP11
label 348D-035 1/8" 2x3/2 NO -0,9 ÷ 10 2,5 700 VP12
label 344D-035 1/4" 2x3/2 NO -0,9 ÷ 10 2,5 1050 VP12
label 398D-035 1/8" 1x3/2 NC + 1x3/2 NO -0,9 ÷ 10 2,5 700 VP13
label 394D-035 1/4" 1x3/2 NC + 1x3/2 NO -0,9 ÷ 10 2,5 1050 VP13

Vuoi saperne di più?

Contattaci senza impegno compilando il nostro form, i nostri esperti sono a tua disposizione.

Unic
Simian Project
Norma Group
Duplomatic
Bosch Rexroth
Airset
Malgorani
Rubinetterie Bresciane
Tiemme
Effecto
Guidi Srl
Omal
Enertronica Santerno
Safen
InMotion Robotic
STIMA Motori Elettrici
AdVolo
MiR
Baglioni SPA
Hitachi
Logo Stima

Cerca in Stima

search
Informativa

Noi e terze parti selezionate (come ad esempio Google, Facebook, LinkedIn, ecc.) utilizziamo cookie o tecnologie simili per finalità tecniche e, con il tuo consenso, anche per altre finalità come ad esempio per mostrati annunci personalizzati e non personalizzati più utili per te, come specificato nella .
Chiudendo questo banner con la crocetta o cliccando su "Rifiuta", verranno utilizzati solamente cookie tecnici. Se vuoi selezionare i cookie da installare, clicca su "Personalizza". Se preferisci, puoi acconsentire all'utilizzo di tutti i cookie, anche diversi da quelli tecnici, cliccando su "Accetta tutti". In qualsiasi momento potrai modificare la scelta effettuata.