language Italiano
Serie SAF

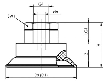
Tabella dimensionale con inserto femmina

    Aireka Fluidica Electric Oleodinamica Pneumatica Vuoto Economy

Caratteristiche tecniche

Struttura • Manipolazione di lamiere, con dinamica elevata • Robusta e resistente con labbro di tenuta semplice, scanalatura speciale e sostegno interno • Ventosa vulcanizzata al nipplo di raccordo (resistenza molto elevata)
Materiale ventosa NBR-60 = Perbunan 60 Shore (a richiesta versione in NBR-45 = Perbunan 45 Shore)
Attacco standard G1/4" maschio o femmina
Attacco a richiesta • G3/8" maschio o femmina • M10 maschio o femmina • M14x1,5 maschio • Con adattatore rettangolare "RA"

Vuoi saperne di più?

Contattaci senza impegno compilando il nostro form, i nostri esperti sono a tua disposizione.

MP Filtri
Parker
Hitachi
Universal Robots
Nord Modules
Fluid-Press
MiR
OMB Vibrator Motors
Rollon
Pi.effe.ci
Ewo
InMotion Robotic
Nass Magnet
Simian Project
Olab
RobotPhoenix
Wika
Robotiq
Camozzi
Euroswitch
Logo Stima

Cerca in Stima

search
Informativa

Noi e terze parti selezionate (come ad esempio Google, Facebook, LinkedIn, ecc.) utilizziamo cookie o tecnologie simili per finalità tecniche e, con il tuo consenso, anche per altre finalità come ad esempio per mostrati annunci personalizzati e non personalizzati più utili per te, come specificato nella .
Chiudendo questo banner con la crocetta o cliccando su "Rifiuta", verranno utilizzati solamente cookie tecnici. Se vuoi selezionare i cookie da installare, clicca su "Personalizza". Se preferisci, puoi acconsentire all'utilizzo di tutti i cookie, anche diversi da quelli tecnici, cliccando su "Accetta tutti". In qualsiasi momento potrai modificare la scelta effettuata.