language Italiano
Serie FG (VTCN)

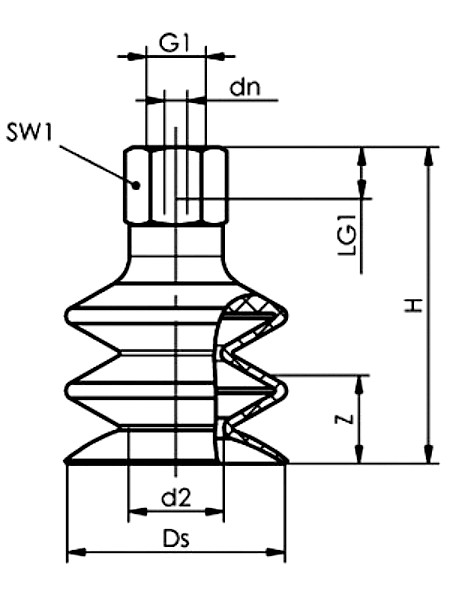
Inserto Femmina e tabella dimensionale

(la ventosa deve essere ordinata separatamente)

    Aireka Fluidica Electric Oleodinamica Pneumatica Vuoto Economy

Caratteristiche tecniche

Materiali ventosa NBR-55 = Perbunan 55±5ShA (Codice Camozzi "N") SI-55 = Silicone 55±5ShA (Codice Camozzi "S")
Materiali ventosa a richiesta HT1-60 = Materiale alta temperatura 60±5ShA NK-45 = Caucciù naturale 45±5ShA
*La disponibilità dei materiali a richiesta, per i singoli diametri, è da verificare con il nostro ufficio tecnico.

Tabella codici

Codice fornitore Codice Camozzi d2 ([mm]) dn ([mm]) G1 H ([mm]) LG1 ([mm]) Ø Ds ([mm]) Ø Ventosa ([mm]) SW1 ([mm]) Z ([mm])
label SA-NIP N017 M5-IG NPV-E-M5-F 2,6 2,0 M5 24,0 5,5 5,0 5 8,0 3
label SA-NIP N016 G1/8-IG NPV-R-1/8-F 1,8 4,1 5,0 5,4 8,0 10,5 10,0 3,5 1/8" 26,0 27,0 33,0 34,0 34,0 34,0 46,0 8,5 5,9 9,0 12,0 14,5 17,2 20,0 23,0 7, 9, 12, 14, 18, 20, 25 14 3,0 3,0 7,0 9,0 9,0 9,0 18,0
label SA-NIP N018 G1/4-IG NPV-S-1/4-F 16,0 17,8 24,6 29,5 4,4 1/4" 52,5 61,0 64,0 70,0 12,0 32,0 42,6 52,5 62,2 32 42 52 62 17 15,0 20,0 25,0 29,0
label SA-NIP N019 G1/4-IG - 33,0 8,0 1/4" 103,0 12,0 89,0 88 21 34

Vuoi saperne di più?

Contattaci senza impegno compilando il nostro form, i nostri esperti sono a tua disposizione.

Safen
Simian Project
Industrie Giacomelli
Parker
Farbo
MP Filtri
Valvaut
Universal Robots
Merlett
Nord Modules
Silvent
Effecto
Rubinetterie Bresciane
Air Tek
Nass Magnet
OnRobot
C-JAC
STIMA Motori Elettrici
INOX Riva
Schmalz
Logo Stima

Cerca in Stima

search
Informativa

Noi e terze parti selezionate (come ad esempio Google, Facebook, LinkedIn, ecc.) utilizziamo cookie o tecnologie simili per finalità tecniche e, con il tuo consenso, anche per altre finalità come ad esempio per mostrati annunci personalizzati e non personalizzati più utili per te, come specificato nella .
Chiudendo questo banner con la crocetta o cliccando su "Rifiuta", verranno utilizzati solamente cookie tecnici. Se vuoi selezionare i cookie da installare, clicca su "Personalizza". Se preferisci, puoi acconsentire all'utilizzo di tutti i cookie, anche diversi da quelli tecnici, cliccando su "Accetta tutti". In qualsiasi momento potrai modificare la scelta effettuata.